BRN Discussion Ongoing

How can this be? We are a meme stock that have no customers, no real world solutions and no revenue!

View attachment 24482
Next time I see the wanker, after BRN has officially launched its world domination of the semiconductor industry I'll show that cockhead my BRN portfolio and just remind him of what a f@$k knuckle dropkick he is and buy him a beer and have a quick discussion about what it could have been for him if he had at least one working neuron and one synapse.
(He lives in my state) And have seen him around a few times.
 
  • Haha
  • Like
  • Fire
Reactions: 33 users

Boab

I wish I could paint like Vincent
Next time I see the wanker, after BRN has officially launched its world domination of the semiconductor industry I'll show that cockhead my BRN portfolio and just remind him of what a f@$k knuckle dropkick he is and buy him a beer and have a quick discussion about what it could have been for him if he had at least one working neuron and one synapse.
(He lives in my state) And have seen him around a few times.
Just pretend you don't know who he is, buy him a beer and go on and on about this stock you bought and how much money you've made.
That'll do the trick.😂😂
 
  • Haha
  • Like
  • Fire
Reactions: 30 users
Just pretend you don't know who he is, buy him a beer and go on and on about this stock you bought and how much money you've made.
That'll do the trick.😂😂
Now that sounds like a much better idea. I will mention that even the dumbest person could see this was a massive opportunity to make a glorious life for oneself.
 
  • Haha
  • Like
  • Love
Reactions: 18 users
Hi Fmf,

I looked at the MAX7800 which includes a hardware CNN accelerator. Interestingly it has ARM Cortex M4 and a 32-bit RISC-V processor, as well as the CNN accelerator. They talk about 1, 2, 4 and 8 bit weights in the NN accelerator, and having the flexibility to support other NNs, such as RNN as well as MLP, but they don't mention SNN.

A CNN accelerator will need MAC matrix silicon. They also refer to the CNN engine having a 442k weight memory

View attachment 24466



View attachment 24467



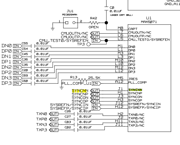
Re MAX5871,
SYNCNN is an output port from the MAX5871 (see pg 48, bottom left and zoom in:


View attachment 24468
MAX5871 is an RF ADC I can't see any relevance to SNNs.
https://au.mouser.com/new/maxim-integrated/maxim-max5871-dac/#Bullet-2
Maxim MAX5871 Interpolating & Modulating RF 16-bit DAC enables multi-standard and multi-band transmitters in wireless communications applications. The radio frequency digital-to-analog converter can directly synthesize up to 600MHz of instantaneous bandwidth from direct current to frequencies up to 2.8GHz. The 5.9Gsps device meets spectral mask requirements for communication standards such as Global System for Mobile (GSM), Universal Mobile Telecommunications System (UMTS), and Long-Term Evolution (LTE). Applications include cellular base-station transmitters, point-to-point microwave links, and wireless backhaul. MAX5871 also uses a differential current-steering architecture and can produce a 0dBm full-scale output signal level with a 50Ω load. The device consumes 2.5W at 4.9Gsps operating from 1.8V and 1.0V power supplies.

From the look of their "neural" patents, they are stuck in the CNN era.
https://worldwide.espacenet.com/patent/search?q=pa = "maxim integrated" AND nftxt = "neural"
Hey D

Appreciated and did notice the RF side but wasn't sure how worked in relation to SyncNN.

What did you make of the paper published about the SyncNN / FPGA / Xilinx etc?

Also, with the Max5871 what I was trying to ascertain was, if the reference to SyncNN within their diagrams was the connection / bridge (if correct terminology) between the RF side and say a Xilinx with SyncNN attached? Can or does it work like that?

You point out that the SyncNN is an output however when you look at the data interface page there is a SyncNN input:

1671151064688.png


Also, in the photo of the boards it the Max5871 is attached to the VC707 which appears to be Xilinx as per the startup instructions below.

1671151258563.png


1671151210780.png


So, would it be safe to conclude that Xilinx is using SyncNN and MAX may also go down that path (or are) given what we're seeing with the Xilinx FPGA uses they outline and that whilst the Max7800 doesn't specifically mention SNN they do mention their NN (SyncNN?) using the lower bit weights?

Could it be set up that way at all you think?
 
  • Like
  • Fire
Reactions: 8 users

Dozzaman1977

Regular
Hi Dozzaman,

I think this bit is another great selling point for Akida:

Compared to the previous generation, this function greatly improves the wiring efficiency of the vehicle and facilitates the cooperation of multiple displays. In addition, the company's proprietary SEERIS™ 2D graphics IP is integrated with cutting-edge functions, such as LED control and pixel

The introduction of Akida into complex systems such as ADAS could actually make the adoption of Akida a cost reduction. For example, an 8-wire bus could be reduced to 2 wires - sell your copper shares ... here comes Akida.

[Not financial advice!]
Yes out with the copper, in with the Akida!!!
Socionext seem to spent a great deal of time and effort incorporating Akida into their 4th generation chip of this series. So hopefully all the customers that have purchased the prior 3 generations will be excited by the improvements/ efficiency gains this 4th gen with Akida can deliver!!!!
 
  • Like
  • Fire
Reactions: 27 users
I remember Anil stating that we wouldn’t chase ISO certification ourselves due to it being quite an extensive process and that our partners would be doing it on our behalf anyway. Turns out he’s a straight shooter! Shocked I am shocked!

Anyway in already being ISO-certified it sounds like these Socionext in-cabin devices are pretty close to being integrated into production vehicles or at least have the ability to be “plugged in” for want of a better term. Between these, Valeo LiDAR and MB.OS Hey Mercedes you’ll be hard pressed finding a car WITHOUT Akida Inside in a few years time.

Edit: FF beat me to it!
I was waiting, but in the end excitement got the better off me.😇
 
Last edited:
  • Like
  • Haha
Reactions: 12 users

Sickdude

Member
Fantastic news,
Added a little to my holdings,
Enjoy everyone
 
  • Like
  • Fire
Reactions: 15 users

hotty4040

Regular
Fantastic news,
Added a little to my holdings,
Enjoy everyone

Talk about being on the ( EDGE ) I hope I don't fall off any time soon, No, not going to happen IMHO.

Akida Ballista >>>> master of the edge <<<<< >>>>> and some <<<<<

hotty...
 
  • Like
Reactions: 11 users

VictorG

Member
Did Rob Telson just say in actual written text to all registered shareholders that SOCIONEXT and PROPHESEE are demonstrating SOLUTIONS???

Is this not one of the great things Micklepickle was telling the world that Brainchip shareholders were expecting in 2023.

I hope he knows that what he referred to has already started.

Can someone make sure he knows.😂🤣🤡😂🤣🤡🤣😂🤡😂🤣

My opinion only DYOR
FF

AKIDA BALLISTA
I'm on to it, I'll send an email to Thickleprickle straight away.
 
  • Haha
  • Like
  • Fire
Reactions: 12 users

Stockbob

Regular
Rob telson in his email today mentioned about 60Ghz and 24Ghz smart radar solutions from Socionext. Well, the 24Ghz radar seems to align with Brianchip’s target market, blurb from Socionext's site below.

Socionext’s single-chip, low power, highly integrated, 24GHz radio-wave sensor has been specifically designed for IoT products, smart home applications, mobile devices, and industrial equipment. The SC1233 combines high levels of integration into a single IC package and incorporates a full CMOS based semiconductor design to help reduce power consumption and manufacturing costs. The sensor comes with embedded FFT and signal processing which reduces design resource requirements and costs for manufacturers who lack the experience or expertise in using radio-wave sensors.

"SC1240 Series radio-wave ranging sensors that use the 60GHz band with a built-in signal processing circuit for detecting the position and movement of a person with maximum accuracy. Sample shipments are scheduled for Q2 2022, and mass production in Q1 2023 “

Socionext’s radio wave sensors have also won the “Electronic product of the year “ at the British Engineering excellence awards.
 
  • Like
  • Fire
  • Love
Reactions: 32 users

Kozikan

Regular
Interesting article regarding Sony.

The Sony/Prophesee/Brainchip triangle may end up being more important to Brainchip's success than any of us have ever imagined.

Hi Fmf,

Following on from the link you posted, a little belated hindsight in the light of the Mercedes announcement 4 months later ( https://brainchip.com/mercedes-benz-vision-eqxx-concept/ ):

Akida spiking neural processor could head to FDSOI​

Technology News | August 2, 2021
By Peter Clarke
...
One of the application areas of interest is automotive where Artificial Intelligence and Machine Learning (AI/ML) to train an increasing number of sensors, components, image and video processors in each vehicle. Autonomous vehicles and near-autonomous vehicles are predicted to generate between 12 and 15 terabytes of data for every two hours of driving.

Latency, power consumption and privacy are the key reasons not to send this data to the cloud for processing.

One advantage of spiking neural network architectures is the ability to perform real-time incremental learning, sometimes called one-shot learning, within a fraction of a second. The ability to add voice commands, accept individuals as drivers by facial recognition and to flag events as significant or not in sensors is improved when using Akida, said BrainChip executives. “We are being benchmarked against deep learning accelerators and a GPU vendor and it is coming back favourably to u
s.”

Note the present tense (August 22021) "We are being benchmarked ... ", ie, the benchmarking was going on in August 2021. Five months later we got the Mercedes announcement.

We know about the use of Akida for voice commands in Mercedes.

We also know that Mercedes compared (benchmarked) Akida favourably with other voice recognition systems, providing 5 to 10 times better power efficiency than deep learning accelerators and a GPU vendor (Nvidia?).

We have speculated about other applications of Akida in Mercedes, so if we take a lead from the above-cited abstract, can we infer that facial recognition and significant event detection are included in EQXX, EQS, ... ?

... and don't mention Valeo ...

Now I wonder if the Sony/Prophesee deblurring camera could be useful in ADAS ...
True indeed. IMO , Event Vision tech is going to be a seriously challenging alternative to the Lidar ADAS solution.
Thankfully, BrainChip have both pathways covered.
 
  • Like
  • Fire
  • Love
Reactions: 18 users

Quiltman

Regular
Are we allowed to mention the contents of the NVISO newsletter that has just come out .... marked private & confidential ... but it's good news day for BrainChip !!
 
  • Like
  • Fire
  • Thinking
Reactions: 23 users

Blazar85

Regular
From the Nviso December 2022 company update:

Further, our partnership with BrainChip on neuromorphic computing is starting to bear fruit as potential
customers are now positively evaluating NVISO software running on next generation AI hardware which is
expected to translate into a growing blue-chip customer base in 2023. Additionally a Japan OEM will begin a
POC early 2023 as part of a larger project to adopt AI strategy and a second German Premium OEM will
likely begin in 2023 after positive evaluations of our current AI solutions for interior sensing and driver
monitoring
 

Attachments

  • Screenshot_20221216_122018_Drive.jpg
    Screenshot_20221216_122018_Drive.jpg
    1.3 MB · Views: 240
  • Like
  • Fire
  • Love
Reactions: 117 users

hotty4040

Regular
Rob telson in his email today mentioned about 60Ghz and 24Ghz smart radar solutions from Socionext. Well, the 24Ghz radar seems to align with Brianchip’s target market, blurb from Socionext's site below.

Socionext’s single-chip, low power, highly integrated, 24GHz radio-wave sensor has been specifically designed for IoT products, smart home applications, mobile devices, and industrial equipment. The SC1233 combines high levels of integration into a single IC package and incorporates a full CMOS based semiconductor design to help reduce power consumption and manufacturing costs. The sensor comes with embedded FFT and signal processing which reduces design resource requirements and costs for manufacturers who lack the experience or expertise in using radio-wave sensors.

"SC1240 Series radio-wave ranging sensors that use the 60GHz band with a built-in signal processing circuit for detecting the position and movement of a person with maximum accuracy. Sample shipments are scheduled for Q2 2022, and mass production in Q1 2023 “

Socionext’s radio wave sensors have also won the “Electronic product of the year “ at the British Engineering excellence awards.


Is that the LIFE OF BRAINCHIP, Brian....... Hope it'll be a long one.. ;)


hotty...
 
  • Haha
  • Like
  • Fire
Reactions: 9 users

M_C

Founding Member
From the Nviso December 2022 company update:

Further, our partnership with BrainChip on neuromorphic computing is starting to bear fruit as potential
customers are now positively evaluating NVISO software running on next generation AI hardware which is
expected to translate into a growing blue-chip customer base in 2023. Additionally a Japan OEM will begin a
POC early 2023 as part of a larger project to adopt AI strategy and a second German Premium OEM will
likely begin in 2023 after positive evaluations of our current AI solutions for interior sensing and driver
monitoring

"Although revenue recovery from COVID has been modest, we have now invoiced Panasonic for the first payment towards licensing of the companion robot which is entering mass production. It is part of a key strategy on Panasonic’s part to move away from appliances to intelligent devices. Additionally, we have invoiced a large premium German automotive manufacturer for a pilot project regarding our advancements on a holistic platform for complex emotions including successfully passing a data security audit to process their internal data for AI development purposes. ected to translate into a growing blue-chip customer base in 2023. Additionally a Japan OEM will begin a POC early 2023 as part of a larger project to adopt AI strategy and a second German Premium OEM will likely begin in 2023 after positive evaluations of our current AI solutions for interior sensing and driver monitoring."
 
  • Like
  • Love
  • Fire
Reactions: 82 users

Blazar85

Regular
Our friends Nviso will be spruiking us at CES 2023 😉

Product Development
Following on from our announcement of successful neuromorphic interoperability last summer, we will now
be announcing support for two new high performance AI Apps from its Human Behavior AI App catalogue,
Gaze and Action Unit Detection. We are making available a full SDK release for manufacturers looking to
mission critical human-interaction features meeting the most demanding performance, cost, and power
budgets. NVISO’s Neuro SDK running on the BrainChip platform will be demonstrated on the Socionext
stand at CES2023.
 

Attachments

  • Screenshot_20221216_122914_Drive.jpg
    Screenshot_20221216_122914_Drive.jpg
    873.8 KB · Views: 176
  • Like
  • Fire
  • Love
Reactions: 66 users

Moonshot

Regular

Display controller market is estimated to be $56b uS by 2028
 
  • Like
  • Wow
  • Fire
Reactions: 26 users

mcm

Regular
Our friends Nviso will be spruiking us at CES 2023 😉

Product Development
Following on from our announcement of successful neuromorphic interoperability last summer, we will now
be announcing support for two new high performance AI Apps from its Human Behavior AI App catalogue,
Gaze and Action Unit Detection. We are making available a full SDK release for manufacturers looking to
mission critical human-interaction features meeting the most demanding performance, cost, and power
budgets. NVISO’s Neuro SDK running on the BrainChip platform will be demonstrated on the Socionext
stand at CES2023.
Excellent! Can only think that those selling BRN are not privy to the extraordinary research being carried out on this forum ... because just reading today's posts ... you'd be mad to part with a single share. I'm delighted to buy more at sub 70c. What a gift!
 
  • Like
  • Fire
  • Love
Reactions: 43 users

jtardif999

Regular
I guess SOCIONEXT were telling the truth in 2019 despite the complaints of the scumbag manipulators:

We are excited to join BrainChip in the design, development and introduction of Akida,” said Noriaki Kubo, Corporate Executive Vice President of Socionext. “Bringing artificial intelligence to edge applications is a major industry development and a strategic application segment for Socionext. Socionext provides suppliers such as BrainChip with a large engineering solutions platform, ranging from integrated circuit design through final test and assembly, to bring high quality products to market efficiently.

We are extremely pleased to work with Socionext, one of the world’s leading SoC development and manufacturing teams,” said Louis DiNardo, CEO of BrainChip. “With the firm backing by such a preeminent partner, we are confident we will be supplying the world’s first complete AI Edge network solution.

If you panic about the next 4C if it does not deliver income you do not deserve to be a Brainchip shareholder.

My opinion only DYOR
FF

AKIDA BALLISTA
I wonder if BrainChip and Socionext came to some arrangement regarding Socionext not having to pay a licence fee for the Akida IP and then quietly went about their business embedding the IP in these products. It would make sense to me that they might come to this kind of arrangement since at that time BrainChip needed help to produce the Akida hardware and may have added in a sweetener to confirm the partnership with Socionext to conceive Akida and tape out for silicon.

Socionext May also have said: ‘We‘ll make the tape out process cheaper for you if you give us access to embedding your IP in our products without having to pay a licence fee.’ Who knows?
 
  • Like
  • Thinking
  • Fire
Reactions: 20 users

SERA2g

Founding Member
Out of the NVISO company update, @Diogenese I'd be keen to know if you've looked at the neuromorphic technology being developed by Alexera AI and GrAI Matter Labs?
 
  • Like
Reactions: 4 users
Top Bottom